Rohrverbinder aus verzinktem Temperguss | TÜV-geprüft
Hochwertiger Rohrverbinder aus feuerverzinktem Temperguss (EN-GJMB-350-10) für den professionellen Einsatz im Innen- und Außenbereich. Rohre lassen sich damit ohne Schweißen schnell und sicher zu stabilen Konstruktionen verbinden – ob Geländer, Regale, Werkbänke, Tischgestelle oder Industriekonstruktionen.
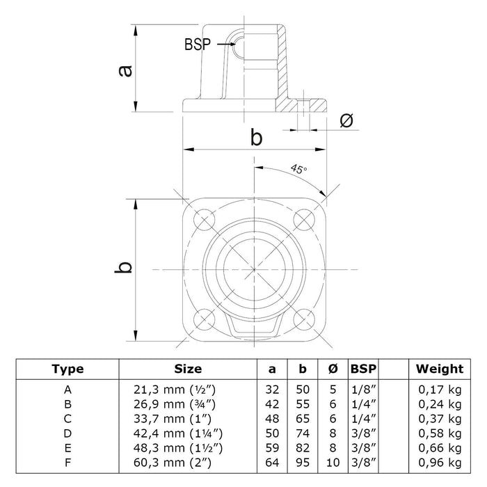
Technische Daten
|
Merkmal |
Wert |
|
Material |
Temperguss EN-GJMB-350-10, feuerverzinkt |
|
Oberfläche |
Feuerverzinkt (DIN EN 10240) |
|
Norm |
Kompatibel mit Rohren nach DIN EN 10255 |
|
Schublast pro Madenschraube |
ca. 600 kg |
|
Anzugsdrehmoment |
40 Nm |
|
Belastbarkeit |
bis 450 kg pro Verbindungspunkt |
|
Verfügbare Größen |
21,3 mm bis 60,3 mm Außen-Ø (Größencodes A-F) |
|
Montage |
Schweißfrei, nur Innensechskantschlüssel (4–6 mm) |
|
Lieferzeit |
3–5 Werktage (Deutschland & EU) |
|
Prüfung |
TÜV-geprüft |
Lieferumfang
Jeder Rohrverbinder wird standardmäßig inklusive passender Madenschrauben (Stellschrauben) geliefert. Zusätzliche Schrauben sind bei Bedarf separat bestellbar. Zu jeder Bestellung von Rohrverbindern erhalten Sie den passenden Innensechskantschlüssel kostenlos dazu – Sie können sofort mit der Montage beginnen.
Qualität & Zertifizierung
Die Rohrverbinder werden nach strengen internationalen Normen gefertigt und sind TÜV-geprüft. Die Feuerverzinkung nach DIN EN 10240 sorgt für dauerhaften Korrosionsschutz und macht die Verbinder vollständig witterungsbeständig – ideal für den Außenbereich ohne zusätzliche Behandlung.
- TÜV-geprüft
- Feuerverzinkt nach DIN EN 10240 – kein Rosten
- Temperguss nach EN-GJMB-350-10 – gleichmäßige Kraftverteilung
- Kompatibel mit Rohren nach DIN EN 10255
- Für Innen- und Außeneinsatz uneingeschränkt geeignet
Montage – so einfach geht's
- Vorbereiten: Rohrenden entgraten, Positionen markieren
- Zusammenstecken: Rohre bis zum Anschlag in den Verbinder einführen
- Ausrichten & Fixieren: Mit Wasserwaage ausrichten, Madenschrauben gleichmäßig auf 40 Nm festziehen
- Nachkontrolle: Nach erster Belastung alle Verbindungen auf festen Sitz prüfen
Wichtig: Schraubverbindungen bei statischen Konstruktionen halbjährlich, bei beweglichen Systemen monatlich nachkontrollieren.
Typische Einsatzbereiche
Geländer & Handläufe, Treppenbrüstungen, Balkongeländer, Schutzgeländer, Werkbänke, Lagerregale, Tischgestelle, Regalsysteme, Messestände, Pergolen, Displayständer, Maschineneinhausungen, Absperrungen.
Häufige Fragen
Wie hoch ist die Belastbarkeit? Jede Madenschraube hält einer Schublast von ca. 600 kg stand (Anzugsdrehmoment 40 Nm). Pro Verbindungspunkt beträgt die Belastbarkeit bis zu 450 kg bei fachgerechter Montage.
Ist der Verbinder rostfrei? Verzinkte Stahl-Rohrverbinder sind nicht rostfrei im Sinne von Edelstahl, aber durch die Feuerverzinkung (DIN EN 10240) dauerhaft korrosionsgeschützt und vollständig witterungsbeständig – auch im Außeneinsatz.
Welches Rohr passt zu diesem Verbinder? Der angegebene Durchmesser bezeichnet den Außendurchmesser des Rohres. Ein 33,7 mm Rohrverbinder passt ausschließlich auf ein Rohr mit 33,7 mm Außendurchmesser nach DIN EN 10255.
Gibt es Mengenrabatte für B2B-Kunden? Ja. Für Großprojekte und gewerbliche Abnehmer bieten wir Staffelpreise an. Kontaktieren Sie uns für ein individuelles Angebot.
Weitere Fragen? Besuchen Sie unseren FAQ-Bereich oder kontaktieren Sie uns direkt über die Chat-Funktion – wir helfen schnell und unkompliziert weiter.
Passendes Zubehör
Kombinieren Sie diesen Verbinder mit Stahlrohren (verzinkt oder pulverbeschichtet), Aluminiumrohren (gleicher Außendurchmesser), Verlängerungsstücken (Innen- oder Außenverbinder) sowie weiterem Montagezubehör aus unserem Shop.
| Voraussichtliche Lieferzeiten* | |
|---|---|
Bestellung nur Verbinder |
ca. 2-3 Arbeitstage |
Bestellungen Rohrverbinder und Rohre bis 220 cm |
ca. 3 bis 5 Arbeitstage |
Bestellungen Rohrverbinder + Rohre ab 240 cm |
ca. 4-8 Arbeitstage |
*Es ist schwierig, die Arbeitsbelastung in unserem Lager und bei den Transportunternehmen abzuschätzen, dadurch handelt es sich bei den Lieferzeiten um ungefähre Schätzungen. |
|
Transportkosten
| Deutschland | |
|---|---|
Nur Verbinder |
12,50 Euro |
Über 500 Euro Warenwert nur Verbinder |
kostenlos |
Verbinder + Rohre bis 120 cm und 50 kg |
25,60 Euro |
Verbinder + Rohre bis 120 cm und 50.1 kg - 100 kg |
49,00 Euro |
Verbinder + Rohre bis 120 cm und ab 100,1 kg |
69,00 Euro |
Verbinder + Rohre bis 240 cm und 25 kg |
90,00 Euro |
Verbinder + Rohre bis 240 cm und 110 kg |
110,00 Euro |
Für Rohre länge als 240 cm, bitte uns kontaktieren |
|
| Schweiz | |
|---|---|
Für Lieferungen in die Schweiz berechnen wir individuelle Versandkosten. Bitte kontaktiert uns. |
|
Häufig gestellte Fragen
Die Rohrverbinder aus Stahl sind thermisch-vollbadverzinkt, hierdurch sind sie korrosionsbeständig und halten länger. Die schwarzen Rohrverbinder sind pulverbeschichtet.
Ja, alle Rohrverbinder aus unserem Webshop werden standardgemäß inklusive Stellschrauben geliefert. Diese sind bei Bedarf auch separat bestellbar.
Möchtest Du vom Innenmaß zum Außenmaß wechseln oder umgekehrt? Dies ist leicht zu berechnen. Anhand der nachstehenden Abbildung kannst Du sehen, wie die verschiedenen Maße berechnet werden.
Außenmaß (A) berechnen: Um das Außenmaß A zu berechnen, nimm das Zwischenmaß B und addiere 2x den verwendeten
Rohrdurchmesser. A = B + (2 x Ø)
Rohrlänge (B) berechnen: Um die Rohrlänge B zu berechnen, nimm das gewünschte Außenmaß A und ziehen 2x den verwendeten Rohrdurchmesser ab. B = A - (2x Ø)
Rohrlänge (D) berechnen: Um die Rohrlänge D zu berechnen, zieh von der gewünschten Höhe C 1x den verwendeten Rohrdurchmesser ab. D = C - Ø
In allen Fällen ist es am besten, die Rohrlängen nach unten abzurunden. Im Rohrverbinder hast Du dann noch etwas Spielraum für Anpassungen.
Schau Dir hierzu unseren ausführlichen Blogbeitrag an.
Wir haben eine komplette Seite mit den häufigst gestellten Fragen und deren Antworten. Folge diesem Link um schnelle Lösungen auf die häufigsten Fragen zu finden.

